该产品是2.2kW铝制壳三相AC异步水平电动机,3ZA10422C-WSD型,设计用于工业应用,显示出出色的性能和可靠性。电动机广泛用于自动化设备,泵,风扇和其他机械驱动系统,并可以满足各种严酷的工作环境的需求。
电动机采用四极设计,可以实现平稳的速度输出,并且特别适合对恒定速度严格要求的应用。它的冷却方法是IC01,它可以在高负载条件下保持出色的热量耗散性能并延长其使用寿命。
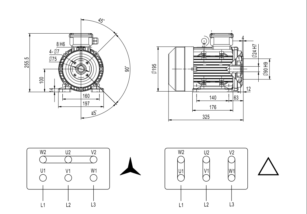
2.2kW铝制壳3期AC异步水平电动机具有IP55保护水平,可有效防止灰尘和水分的侵入,从而确保其在各种恶劣环境中的可靠性和安全性。连接循环板的直径为φ90mm,它符合行业标准,并且易于与其他设备(如泵)连接。它的旋转方向是顺时针方向。出口盒位于电动机的上侧,具有合理的设计,易于接线和维护以及改善的用户便利性。

English
中文简体














