4kW 1450rpm 1440rpm 3期24mm内空电动机,3EA112440C-WSD型,设计用于工业应用,适用于各种机械设备和自动化系统。室外加湿器,夏季温度冷却和除尘设备,诸如机床零件,煤矿开采,搅拌机,气压机,速度控制机,电梯,海上船,打孔机,车床,印刷等的领域,以满足不同工作环境的需求。噪音水平为6p,可能更安静。
电动机的额定频率为50Hz/60Hz,可确保其在全球范围内的适用性。额定功率为0.75kW,适用于中小型负载的驱动,具有高能量效率比,可以有效降低运营成本。电动机的额定电压范围是200-230/220-380/380-440/690V,适用于各种电源系统,并确保在不同电压条件下稳定运行。
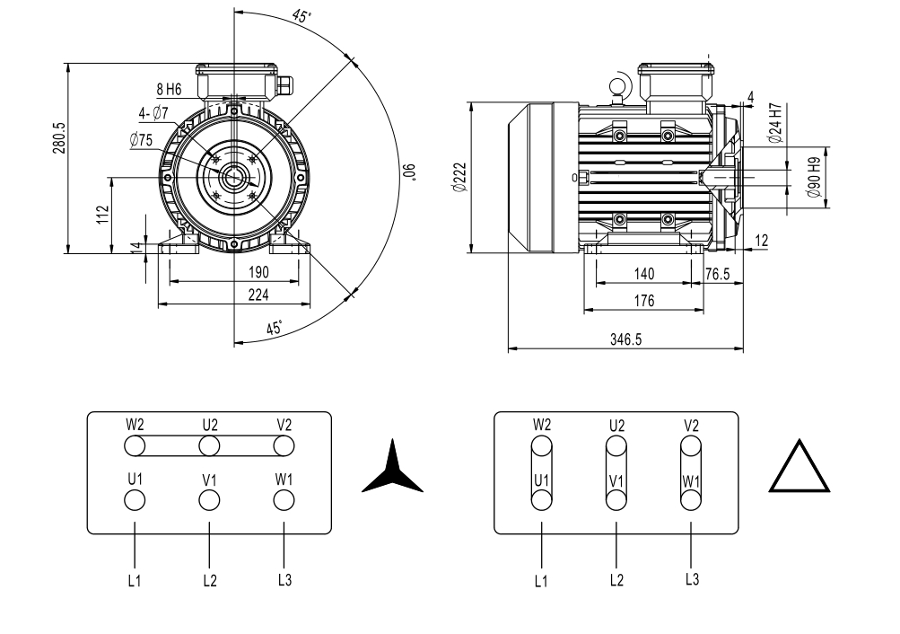
法兰安装方式是B34,前法兰屏蔽的安装方式可以是4固定或3固定,它具有良好的起始性能和稳定的操作,并且适合长期连续操作。冷却方法是IC01,它确保电动机可以在高负载条件下保持合适的工作温度并延长其使用寿命。

English
中文简体















