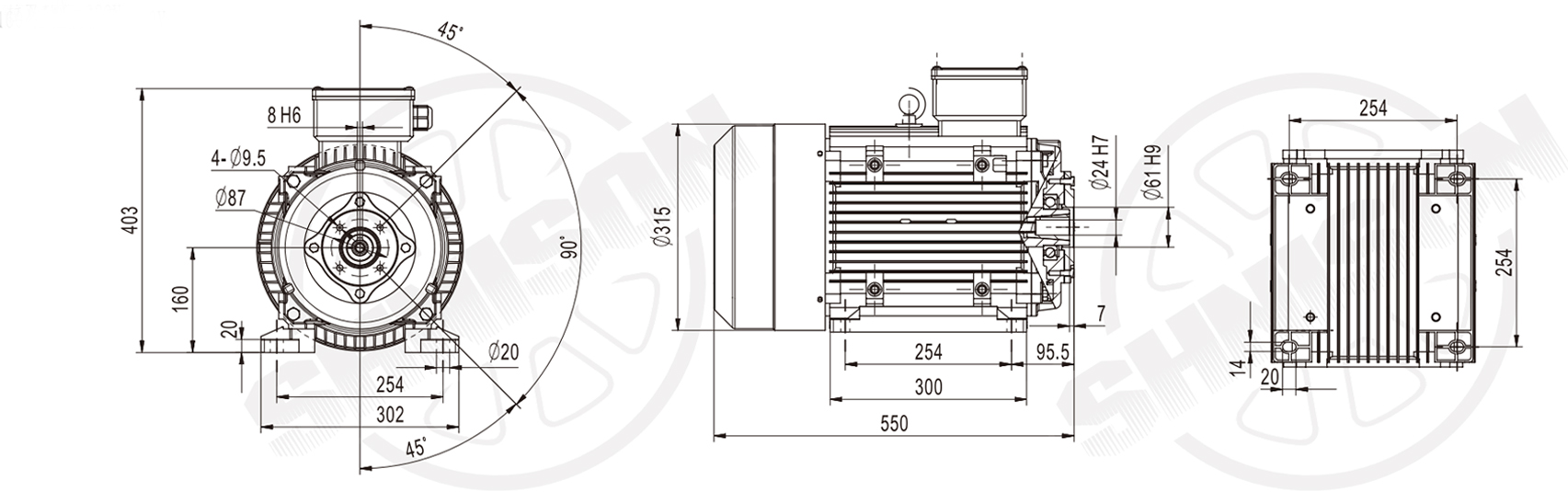
The industrial grade durable 160 frame three-phase internal shaft B34 flange mount motor is designed for harsh industrial environments, ensuring stable operation despite dust, moisture, corrosion, and other challenging conditions. The motor features a heavy-duty cast iron casing with special protective treatment, enhancing overall protection and effectively protecting critical internal components from environmental damage, ensuring long-term operational reliability.
The motor's internal structure utilizes high-quality insulation materials and bearings, enabling it to withstand high temperatures and high loads. The internal shaft design allows for seamless integration with various heavy-duty drivetrains, creating a stable and reliable power output unit that provides continuous power support. Whether in applications requiring stringent reliability, such as mining machinery, cement plant equipment, or metallurgical equipment, this motor delivers stable performance, reducing the risk of unplanned downtime and extending the life of the entire system. The B34 flange mounting method offers flexible mounting options, allowing the motor to adapt to diverse machine layouts and equipment requirements, simplifying installation and maintenance.

English
中文简体

















