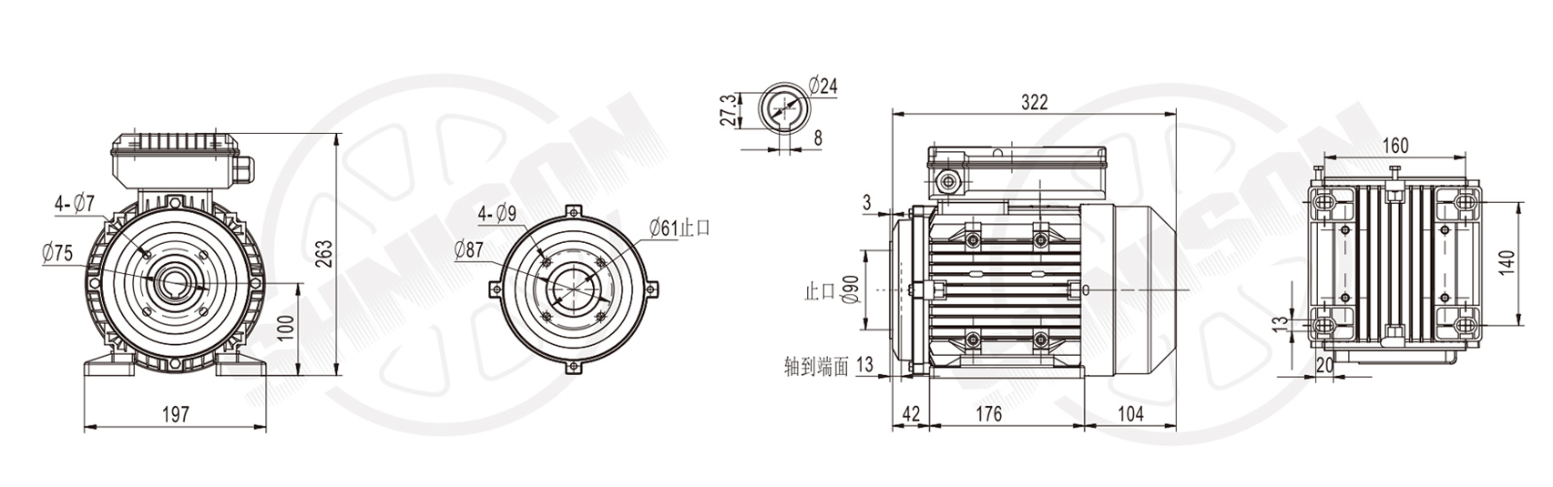
强劲耐用 100机座 单相 内轴 B34法兰安装电机是一款面向中等负载设备的动力解决方案,启动扭矩充足,并能在长时间运行中保持稳定输出。机壳采用高强度铸铁制造,可有效抵御日常运行中的冲击与磨损,为电机提供坚固的外部防护。内部选用高质量轴承与绝缘材料,确保在较为严苛的工况下依然稳定运行,降低停机风险并延长使用寿命。
内轴设计使电机可与减速机及其他传动系统实现更紧凑的集成,形成高效的一体化动力单元,减少传动损耗并提升整体能效。B34法兰安装方式进一步增强安装灵活性,可适配不同设备布局与安装环境。该电机在启动与连续运行过程中均能提供可靠动力输出,适用于工程机械、农牧设备、食品加工机械及各类木工机械等,为多种工业应用提供稳定的动力支持。

English
中文简体















