The general high-efficiency 100 frame single-phase external shaft B34 flange mount motor combines high energy efficiency with wide applicability, meeting the power needs of a wide range of light industrial and general-purpose machinery. Through its optimized electromagnetic design and reliable material selection, this motor effectively reduces energy loss during operation, improving power utilization and enabling users to reduce electricity consumption in daily use, thereby achieving economical operation and energy-saving production.
This motor provides continuous and stable power output, ensuring smooth operation in a variety of applications. Whether used in pumps, fans, small compressors, or food processing equipment, it maintains excellent adaptability and working condition. Thanks to its rational structural design, it maintains stable performance over long periods of operation, contributing to improved overall equipment efficiency.
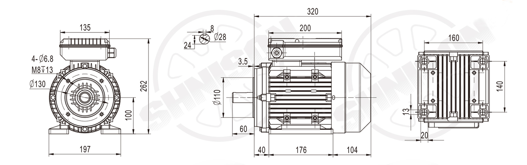
This motor features a rugged housing and external shaft configuration, combined with a B34 flange mounting method, enhancing structural strength and reliability. During installation, users can easily connect the motor to the drive components, reducing installation difficulty and requiring fewer tools. The external shaft design also provides greater flexibility for diverse applications, allowing it to be easily integrated into a variety of mechanical systems.

English
中文简体















