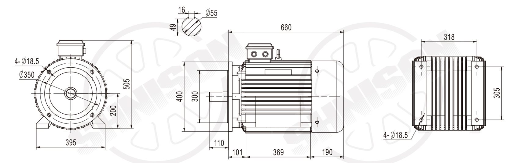
The high power density 200 frame three-phase external shaft B34/B35 flange mount motor, with its compact design and powerful output, is an ideal power source for applications requiring high energy efficiency and limited space. Through scientific electromagnetic design and advanced manufacturing processes, this motor achieves an optimal balance between size and power, enabling equipment to achieve higher power without increasing footprint. Supporting both B34 and B35 flange mounting options, it offers greater flexibility for installation and retrofitting in diverse industrial equipment, offering strong adaptability to meet diverse operating conditions.
This motor utilizes a wear-resistant bearing system and reinforced insulation structure, ensuring stable performance under high loads and long operating conditions. The external-shaft design allows for rapid integration into various heavy-duty transmission systems, improving transmission efficiency while providing reliable power support. The overall design fully addresses the challenges of industrial environments, such as vibration, shock, and heat buildup, ensuring the motor's stable performance under complex operating conditions.

English
中文简体















