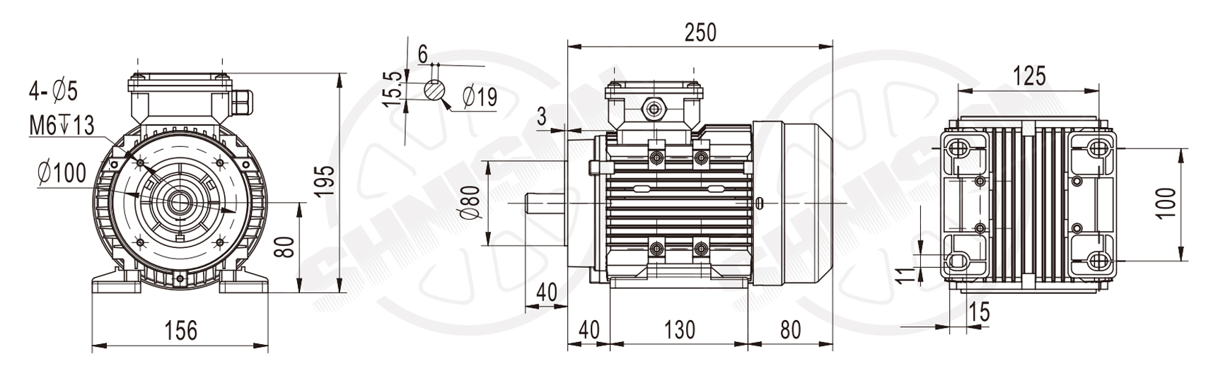
The compact structure 80 frame three-phase external shaft B34 flange mount motor is a power solution designed specifically for space-constrained equipment. Its compact design allows for easy integration into mechanical systems with strict size requirements while maintaining stable power output. Through a rational structural layout and optimized electromagnetic design, this motor reduces size while improving power efficiency, providing users with flexible and reliable drive support.
The external-shaft design gives this motor greater adaptability. It can be directly connected to the drive system via belts, chains, or couplings, simplifying equipment installation and reducing commissioning time. This structure not only enhances operational flexibility but also makes subsequent maintenance and replacement more efficient, minimizing downtime.
The motor's rugged housing and reliable internal components withstand the vibration and wear of everyday industrial environments, reducing the risk of failure. With minimal maintenance requirements, users can effectively reduce operating costs over the long term. This motor is widely used in automation equipment, packaging machinery, small machine tools, robotics, and other equipment where space and performance are paramount.

English
中文简体
















