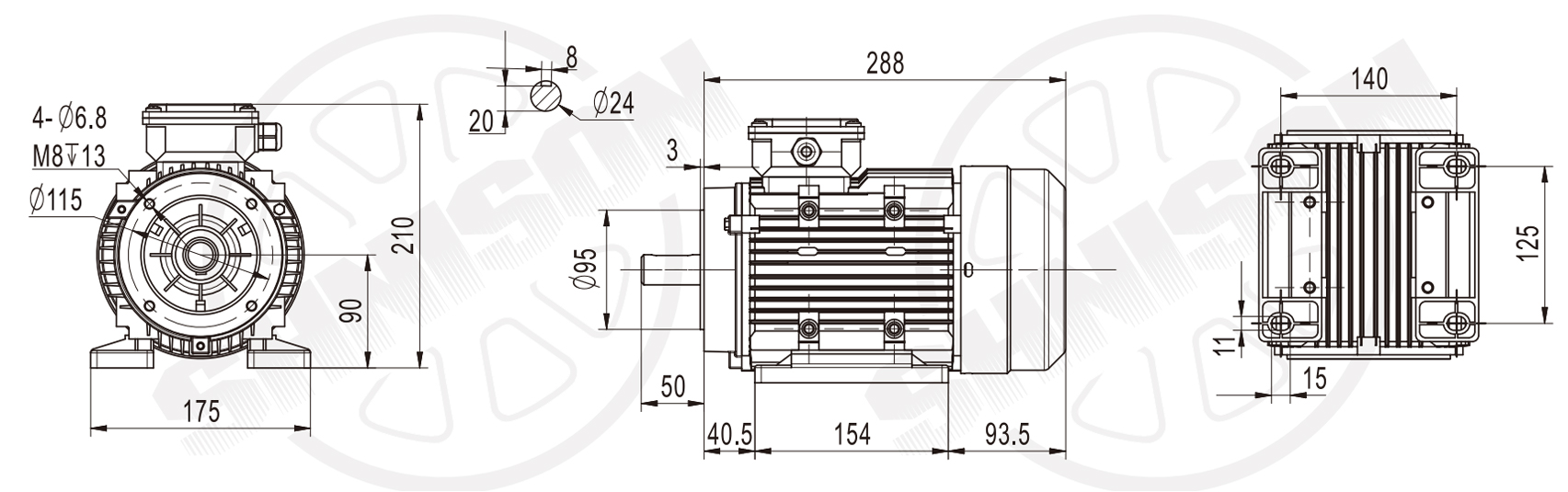
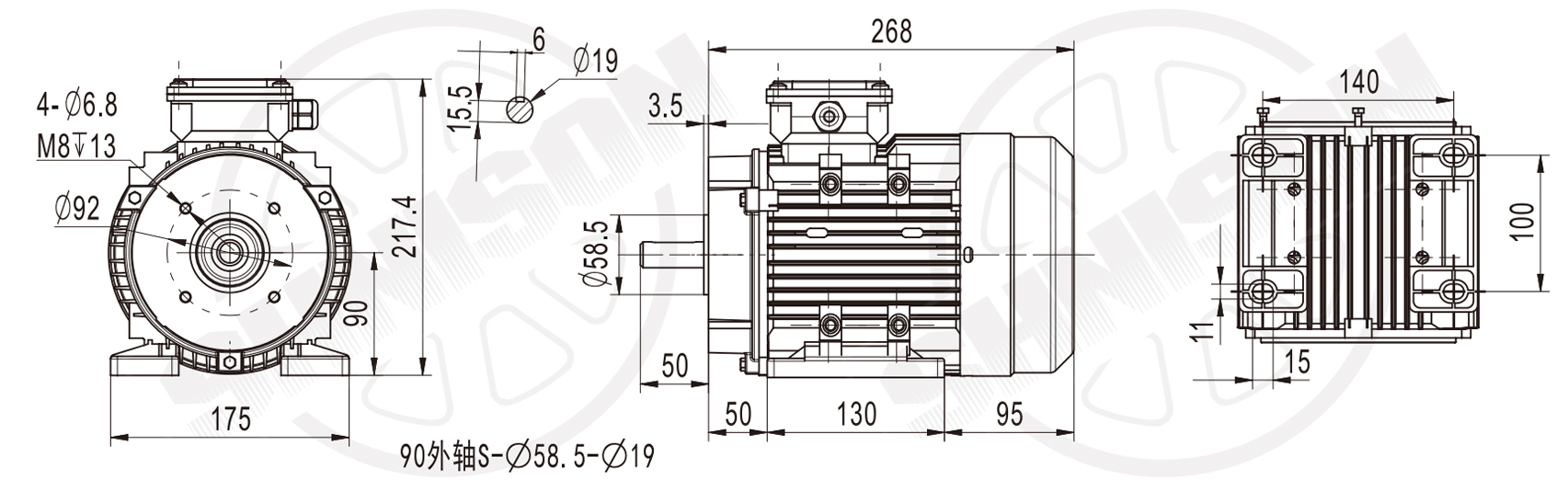
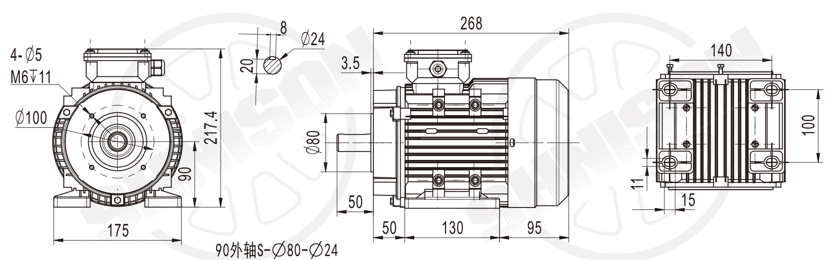
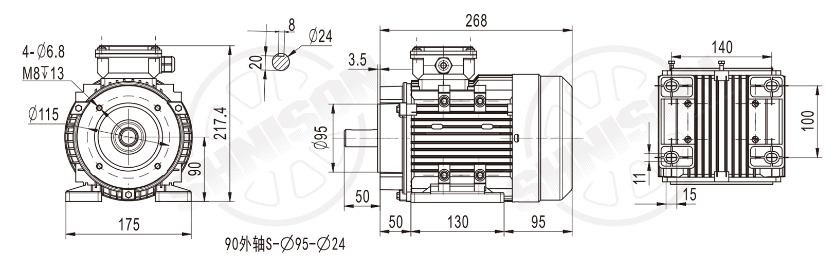
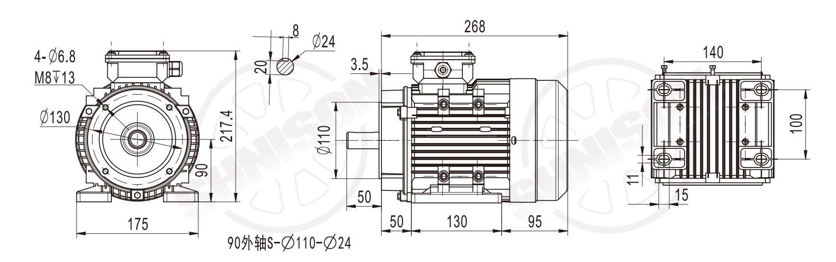
The low-vibration silent 90 frame three-phase external shaft B34 flange mount motor is a power device designed specifically to reduce operating noise and vibration. Through precise dynamic balancing and an optimized internal structure, this motor maintains a smooth and quiet operation during startup and continuous operation, significantly improving the working environment. It is not only suitable for general industrial applications, but also meets the most stringent requirements for quietness.
By controlling vibration amplitude, the motor reduces impact on mechanical components during transmission. This not only reduces overall system wear but also extends the life of the motor and associated equipment. The external-shaft design further enhances its adaptability, enabling flexible connection to drive systems such as belts, couplings, and gearboxes, simplifying installation and maintenance.
To enhance stability, this motor features a reliable heat dissipation structure, maintaining a low temperature rise during long-term operation, preventing performance degradation due to overheating. Stable thermal management, combined with low noise and vibration, ensures high reliability during operation.

English
中文简体



















