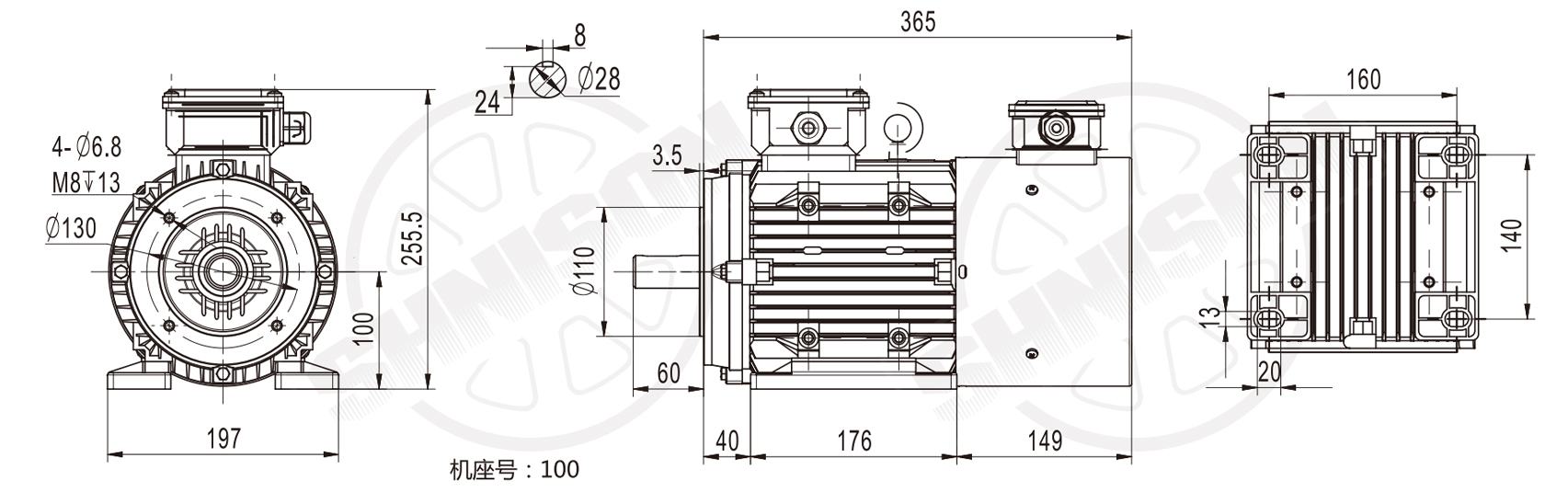
The high-precision control 100 frame variable frequency external shaft B34 flange mount motor is designed for precise control needs. Its optimized electromagnetic design and mechanical structure enable efficient integration with various inverters, ensuring precise speed and position control during operation. This motor offers fast response, maintaining stable operation despite frequent acceleration and deceleration switching, as well as forward and reverse rotation, meeting the requirements of dynamic control conditions.
This motor maintains low vibration and noise levels, improving operating comfort while also protecting connected precision mechanical components and reducing equipment wear and maintenance. Its external-shaft design combined with a B34 flange mounting method facilitates integration with various drive systems, improving overall equipment integration efficiency.
This motor demonstrates outstanding energy efficiency. Its variable-frequency speed regulation function allows for flexible speed adjustment based on actual load, enabling on-demand power supply, reducing inefficient energy consumption, and effectively lowering operating costs. While emphasizing high performance, it also balances energy conservation and environmental protection, delivering both economic and sustainable benefits to users.

English
中文简体
















