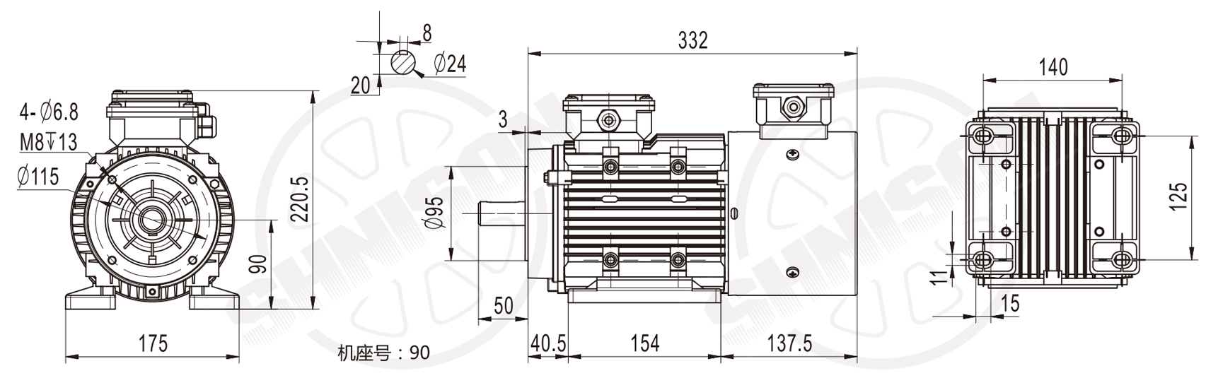
The wide-freqency constant torque 90 frame variable frequency external shaft B34 flange mount motor is specifically designed to maintain stable output across a wide range of speeds. Its core feature is its ability to deliver constant torque over a wide frequency range, ensuring continuous and stable power delivery during acceleration, deceleration, and extended operation.
This motor utilizes an electromagnetic configuration and insulation scheme optimized for variable-frequency drives (VFDs), effectively resisting electromagnetic interference generated during VFD operation, thereby extending motor life and improving operational reliability. Furthermore, its external-shaft structure combined with a B34 flange mounting method enables quick integration with a variety of drive systems, enhancing equipment integration flexibility.
This motor is not only compatible with mainstream VFDs but also maintains stable operation in both high and low frequency ranges, minimizing mechanical shock caused by speed fluctuations and reducing maintenance frequency and costs. Its compact 90mm-frame design is suitable for installation in space-constrained environments, offering equipment manufacturers greater design flexibility.

English
中文简体
















